• Chemická pračka

Chemická pračka

Chemická pračka je pokročilý čisticí filtr. Využívá speciální strukturu a velkou specifickou plochu běžného obalu jako obal pro přenos hmoty a dehydrataci. Zároveň se podle různých pachových složek v pachu používá jako absorpční mycí kapalina odpovídající kyselina, alkálie a oxidant k odstranění zápachu v prostoru a eliminaci dopadu na okolní prostředí.

Pachový proud vzduchu je transportován vzduchovým kanálem a vstupuje do věže ze vstupu věže. Po vstupu do věže prochází výplňovou vrstvou zdola nahoru a nakonec je vypouštěn z výstupu potrubí horní části věže přes antikorozní ventilátor. Neutralizační roztok prochází odlučovačem kapalin v horní části věže, rovnoměrně se rozstřikuje do výplňové vrstvy, stéká dolů po povrchu výplňové vrstvy, dokud není vypuštěn ze dna věže potrubím, a je cirkulován antikorozním oběhovým čerpadlem. Jak se koncentrace rozpuštěných látek ve stoupajícím proudu vzduchu snižuje a snižuje, čisticí funkce je dosaženo, když dosáhne vrcholu věže, a je vypouštěn nebo pokračuje v čištění v dalším kroku. Naopak, koncentrace média v sestupné kapalině je stále vyšší a vyšší a dosáhne procesních podmínek, když dosáhne dna věže a je z věže vypuštěna.

Výhody rozprašovací balicí věže: Má vysokou účinnost, malou kapacitu zadržování kapaliny, nízkou hmotnost a snadnou obsluhu, což umožňuje pracovníkům okamžitě začít. Výplň lze vybrat podle pracovních podmínek poskytnutých zákazníkem. Existuje mnoho typů a obecně se používají kuličkové kroužky odolné proti korozi. Je však třeba poznamenat, že pevné suspendované látky mohou ucpávat plnivo kvůli velkému průměru částic, takže obecně není vhodné pro úpravu pevných látek. Například NH3, HCl, H2S, oxidy dusíku a organické odpadní plyny produkované továrnami lze účinně zpracovávat pomocí tohoto zařízení.

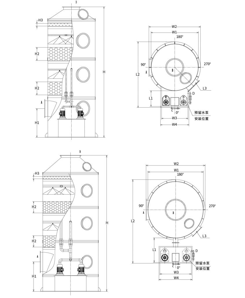
Struktura chemické pračky:
Jak je znázorněno na obrázku: Kompletní zabalený systém čištění sprejem obsahuje následující součásti:

1. Těleso věže vyrobené z PP (polypropylenových) plechů;

2. Nosný rám balení vyrobený z PP mřížkových panelů;

3. Nastříkejte spojovací trubky z UPVC;

4. PP spirálové trysky;

5. Těsnění s dutou kuličkou nebo kroužkem Pall;

6. PP oběhové čerpadlo odolné proti korozi;

7. Síťová odmlžovací vrstva;

8. Zařízení pro ruční a automatické doplňování vody;

9. Přepadové a drenážní potrubí;

10. Okno kontroly.

Výběr chemické pračky:
Tabulka technických parametrů balené rozprašovací pračky

Pro zajištění pohodlí a bezpečnosti přepravy jsou PP balené sprejové pračky rozděleny do dvou typů:

Typ 1: Skrápěcí pračka s integrovaným zásobníkem vody (průměr věže: Φ1000 mm-Φ2200 mm)

Typ 2: Rozstřikovací pračka s nádrží na vodu (průměr věže: Φ2500 mm-Φ3500 mm)


Specifikace modelu odpovídající kapacitě proudění vzduchu:

Model Objem vzduchu Velikost zařízení Výkon vodní pumpy Tloušťka náplně Rychlost větru Materiál vybavení
LRTL-600 0-1500 m³/h Φ600x3000 0,75 kW 500*2 1,48 m/s PP/304/Q235/FRP
LRTL-800 1501-2500 m³/h Φ800 x 3000 0,75 kW 500*2 1,39 m/s PP/304/Q235/FRP
LRTL-1000 2501-4000 m³/h Φ1000x5000 1,5kw 500*2 1,42 m/s PP/304/Q235/FRP
LRTL-1200 4001-6000 m³/h Φ1200x5000 2,2 kW 500*2 1,48 m/s PP/304/Q235/FRP
LRTL-1500 6001-9500 m³/h Φ1500x5000 3,75 kW 500*2 1,5 m/s PP/304/Q235/FRP
LRTL-1800 9501-14000 m³/h Φ1800x5000 5,5kw 500*2 1,53 m/s PP/304/Q235/FRP
LRTL-2000 14001-17000 m³/h Φ2000x6000 5,5kw 500*2 1,5 m/s PP/304/Q235/FRP
LRTL-2200 17001-20000 m³/h Φ2200x6000 7,5kw 500*2 1,46 m/s PP/304/Q235/FRP
LRTL-2500 20001-27000 m³/h Φ2500x6000 7,5kw 500*2 1,53 m/s PP/304/Q235/FRP
LRTL-2800 27001-33000 m³/h Φ2800x6000 15kw 500*2 1,49 m/s PP/304/Q235/FRP
LRTL-3000 33001-38000 m³/h Φ3000x6800 15kw 500*2 1,49 m/s PP/304/Q235/FRP
LRTL-3200 38001-44000m³/h Φ3200x6800 15kw 500*2 1,52 m/s PP/304/Q235/FRP
LRTL-3500 44001-55000 m³/h Φ3500x6800 15kw 500*2 1,5 m/s PP/304/Q235/FRP

Poznámka: Nestandardní provedení lze upravit dle požadavků zákazníka.

Výběrový diagram:

Hangzhou Lvran Environmental Protection Group Co., Ltd.

  • 1000+

    Zákazníci servisní jednotky

  • 2000+

    Národní inženýrské případy

Hangzhou Lvran Environmental Protection Group Co., Ltd. je poskytovatel komplexních inženýrských služeb pro systém čištění odpadních plynů a výrobce zařízení, který integruje výzkum a vývoj, technické služby, design, výrobu, technickou instalaci a poprodejní servis.

We are China Chemická pračka Suppliers and Wholesale Chemická pračka Exporter, Company. Skupina je národním high-tech podnikem, vědeckým a technologickým podnikem provincie Zhejiang, regionálním výzkumným a vývojovým centrem a úvěrovou jednotkou s hodnocením AAA. Je držitelem více než 30 patentů na užitné vzory, četných patentů na vynálezy a autorských práv k softwaru. Skupina dlouhodobě spolupracuje v oblasti technického výzkumu a vývoje s domácími univerzitami a institucemi, včetně „Environmental Innovation R&D Center“ založeného s Anhui University of Science and Technology a „Plasma Energy and Environmental New Technology R&D Center“ společně vyvinutého s Zhejiang Sci-Tech University. Skupina si vytvořila vlastní výzkumnou a vývojovou a výrobní základnu pro hloubkovou technickou spolupráci. Skupina vlastní základní technologii úpravy plynů VOC, je držitelem všeobecné smluvní kvalifikace úrovně 2 pro výstavbu komunálních veřejných prací, licence na bezpečnostní výrobu, speciální kvalifikace pro projektování třídy B pro kontrolu znečištění životního prostředí v provincii Zhejiang, kvalifikace pro neklasifikované pracovní služby a specializované zakázky na speciální projekty. Skupina je certifikována podle ISO9001 pro mezinárodní kvalitu, ISO14001 pro environmentální management a ISO45001 pro bezpečnost a ochranu zdraví při práci.

ČEST & CERTIFIKÁT

Následující vyznamenání představují naši brilantnost. Získáváme zákazníky vysoce kvalitními produkty a získáváme vysokou chválu od trhu a všech oblastí života s dobrými službami.

  • Základní jednotka a reaktor deskového typu s vysokým elektrickým polem pro zabránění úniku po povrchu
  • Reakční zařízení pro syntézu methanolu pomocí oxidu uhličitého a vody a způsob syntézy methanolu pomocí oxidu uhličitého a vody
  • Samočistící elektrostatický odlučovač
  • Vysokotlaký ventilátor odolný proti korozi s funkcí nastavení směru větru
  • Nastavitelný samočistící vysokokapacitní ventilátor
  • Kombinovaný systém řízení předúpravy výfukových plynů s katalytickým zplyňováním
  • Parní čištění kontinuální elektrostatické pole systém čištění a úpravy výfukových plynů
  • Nízkoteplotní plazmová UV fotolýza zařízení pro čištění výfukových plynů
  • Osvědčení o registraci ochranné známky
Poslední novinky a události
Podělte se s vámi
Zobrazit další novinky