Velkoobchod Mokrá pračka s cyklónovými deskami

  • Mokrá pračka s cyklónovými deskami

Mokrá pračka s cyklónovými deskami

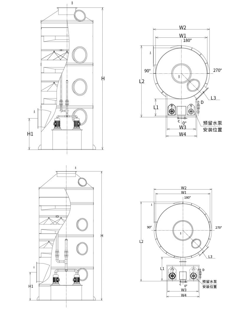
Věž cyklónové pračky má typicky válcové těleso věže vybavené spirálovými přepážkami. Během provozu vstupují spaliny ze spodní části věže tangenciálně a proudí nahoru. Plyn vedený lopatkami přepážkových desek spirálovitě stoupá vzhůru a rozprašuje kapalinu stékající po deskách na jemné kapičky. Vznikne tak velká kontaktní plocha plyn-kapalina. Kapičky jsou unášeny proudem plynu a rotují, čímž generují odstředivou sílu, která zvyšuje interakci plyn-kapalina. Nakonec jsou kapky vrženy na stěnu věže, stékají dolů podél stěny k další přepážkové desce a jsou znovu atomizovány proudem plynu pro další kontakt. Jak bylo popsáno, kapalina dosahuje důkladného kontaktu s plynem při zachování účinné separace – minimalizace strhávání mlhy. Zatížitelnost plyn-kapalina tohoto systému je více než dvojnásobná oproti běžným přepážkám.

Vynikající podmínky kontaktu plyn-kapalina věže zajišťují účinnou absorpci odpadních plynů alkalickými kapalinami. Cyklonová pračka navíc vykazuje vynikající výkon při odstraňování prachu. Prachové částice v plynu jsou zachycovány vodní mlhou na spirálových usměrňovačích deskách a částice a kapky vržené na stěnu věže odstředivou silou jsou také účinně odstraněny. Výsledkem je, že plyn opouštějící věž nese minimální množství prachu a kapiček. Rychlost větru prázdné věže se pohybuje mezi 2,2–2,7 m/s.

Konstrukce vířivé sprchové věže:
Jak je znázorněno na obrázku: Kompletní zabalený systém čištění sprejem obsahuje následující součásti:

● Tělo věže z PP (polypropylenových) plechů;

● Rám s PP spirálovými přepážkami;

● Stříkané spojovací trubky z UPVC (neměkčený polyvinylchlorid);

● PP spirálové trysky;

● Oběhové čerpadlo PP odolné proti korozi;

● Odmlžovací vrstva (typ sítě/cyklón/přepážka);

● Zařízení pro ruční a automatické doplňování vody;

● Přepadové a drenážní potrubí;

● Okno kontroly.

Parametry výběru věže z cyklónových desek:
Pro zajištění pohodlí a bezpečnosti přepravy jsou PP cyklónové pračky rozděleny do dvou kategorií specifikací:

Typ 1: Integrovaná cyklónová pračka s nádrží na vodu (průměr věže: Φ1000 mm-Φ2200 mm)

Typ 2: Cyklonová pračka s vodní nádrží s děleným typem (průměr věže: Φ2500 mm-Φ3500 mm)


Modely cyklónových praček věže odpovídající kapacitě průtoku vzduchu:

Model Rozsah objemu vzduchu Velikost zařízení Výkon vodní pumpy Počet vířivých lopatek Rozsah rychlosti větru Materiál vybavení
XL-600 0-2800 m³/h Φ600 × 2950 0,75 kW 2 0-2,76 m/s PP/304/Q235/FRP
XL-800 3800-5000 m³/h Φ800 × 3300 0,75 kW 2 2,11-2,77 m/s PP/304/Q235/FRP
XL-1000 6000-7500 m³/h Φ1000×4380 1,5kw 2 2,13-2,66 m/s PP/304/Q235/FRP
XL-1200 8500-11000 m³/h Φ1200×4430 2,2 kW 2 2,09-2,71 m/s PP/304/Q235/FRP
XL-1500 14000-17000 m³/h Φ1500×5000 3,75 kW 2 2,2-2,68 m/s PP/304/Q235/FRP
XL-1800 20 000-25 000 m³/h Φ1800×5650 5,5kw 2 2,19-2,73 m/s PP/304/Q235/FRP
XL-2000 25001-30000m³/h Φ2000×6200 5,5kw 2 2,21-2,66 m/s PP/304/Q235/FRP
XL-2200 30001-37000 m³/h Φ2200 × 6700 7,5kw 2 2,19-2,71 m/s PP/304/Q235/FRP
XL-2500 40000-47000m³/h Φ2500×6850 7,5kw 2 2,27-2,66 m/s PP/304/Q235/FRP
XL-2800 49000-58000 m³/h Φ2800 × 7900 11kw 2 2,21-2,62 m/s PP/304/Q235/FRP
XL-3000 58 000-68 000 m³/h Φ3000 × 8000 11kw 2 2,28-2,67 m/s PP/304/Q235/FRP
XL-3200 68 000-78 000 m³/h Φ3200 × 8000 15kw 2 2,35-2,7 m/s PP/304/Q235/FRP
XL-3500 78 000-88 000 m³/h Φ3500 × 8000 15kw 2 2,25-2,54 m/s PP/304/Q235/FRP

Poznámka: Nestandardní provedení lze vyrobit dle požadavků zákazníka.

Výběrový diagram:

Hangzhou Lvran Environmental Protection Group Co., Ltd.

  • 1000+

    Zákazníci servisní jednotky

  • 2000+

    Národní inženýrské případy

Hangzhou Lvran Environmental Protection Group Co., Ltd. je poskytovatel komplexních inženýrských služeb pro systém čištění odpadních plynů a výrobce zařízení, který integruje výzkum a vývoj, technické služby, design, výrobu, technickou instalaci a poprodejní servis.

We are China Mokrá pračka s cyklónovými deskami Suppliers and Wholesale Mokrá pračka s cyklónovými deskami Exporter, Company. Skupina je národním high-tech podnikem, vědeckým a technologickým podnikem provincie Zhejiang, regionálním výzkumným a vývojovým centrem a úvěrovou jednotkou s hodnocením AAA. Je držitelem více než 30 patentů na užitné vzory, četných patentů na vynálezy a autorských práv k softwaru. Skupina dlouhodobě spolupracuje v oblasti technického výzkumu a vývoje s domácími univerzitami a institucemi, včetně „Environmental Innovation R&D Center“ založeného s Anhui University of Science and Technology a „Plasma Energy and Environmental New Technology R&D Center“ společně vyvinutého s Zhejiang Sci-Tech University. Skupina si vytvořila vlastní výzkumnou a vývojovou a výrobní základnu pro hloubkovou technickou spolupráci. Skupina vlastní základní technologii úpravy plynů VOC, je držitelem všeobecné smluvní kvalifikace úrovně 2 pro výstavbu komunálních veřejných prací, licence na bezpečnostní výrobu, speciální kvalifikace pro projektování třídy B pro kontrolu znečištění životního prostředí v provincii Zhejiang, kvalifikace pro neklasifikované pracovní služby a specializované zakázky na speciální projekty. Skupina je certifikována podle ISO9001 pro mezinárodní kvalitu, ISO14001 pro environmentální management a ISO45001 pro bezpečnost a ochranu zdraví při práci.

ČEST & CERTIFIKÁT

Následující vyznamenání představují naši brilantnost. Získáváme zákazníky vysoce kvalitními produkty a získáváme vysokou chválu od trhu a všech oblastí života s dobrými službami.

  • Základní jednotka a reaktor deskového typu s vysokým elektrickým polem pro zabránění úniku po povrchu
  • Reakční zařízení pro syntézu methanolu pomocí oxidu uhličitého a vody a způsob syntézy methanolu pomocí oxidu uhličitého a vody
  • Samočistící elektrostatický odlučovač
  • Vysokotlaký ventilátor odolný proti korozi s funkcí nastavení směru větru
  • Nastavitelný samočistící vysokokapacitní ventilátor
  • Kombinovaný systém řízení předúpravy výfukových plynů s katalytickým zplyňováním
  • Parní čištění kontinuální elektrostatické pole systém čištění a úpravy výfukových plynů
  • Nízkoteplotní plazmová UV fotolýza zařízení pro čištění výfukových plynů
  • Osvědčení o registraci ochranné známky
Poslední novinky a události
Podělte se s vámi
Zobrazit další novinky